
高壓法蘭電磁閥
高壓法蘭電磁閥內腔采用活塞式結構、性能穩定、密封性好、開關迅速;法蘭連接高壓電磁閥品牌生產廠家,專業采用的精制線圈具有不易燒毀、耐磨、耐腐蝕等優點;高壓法蘭電磁閥活塞環用特殊耐溫、耐磨材料制作;活塞與金屬閥腔不產生直接摩擦。

高壓法蘭電磁閥優點:
耐腐蝕:主要部件閥塞、閥體等采用不銹鋼304和316制成,防腐性能好。
耐磨損:選材合理,閥塞與閥間巧妙地利用流體潤滑作用,減少磨損大大增長使用壽命。
耐高壓:結構采用先導活塞式,有效控制高壓易能動作,低壓力易能打開的原理。
高壓法蘭式電磁閥
法蘭式高壓電磁閥安裝特點:
1、安裝前仔細閱讀產品說明書,檢查產品是否符合使用要求,記住安裝要點,做好準備工作。
2、校對銘牌所標參數與所選用產品的參數是否一致,電源電壓應滿足額定電壓,電壓波動范圍:交流+10%~-15%,直流+10%~-10%,平時線圈組件不宜拆開。
3、高壓電磁閥接管之前用高壓氣體對管道進行沖洗,把管道中的金屬粉末及密封材料殘留物,銹垢等清除。
4、注意介質的潔凈度,如果介質內混有塵垢,雜質等妨礙電磁閥的正常工作,管道中應裝過濾閥濾網≥30目。
5、高壓法蘭電磁閥不宜裝在管道低凹處,裝在容器的排出管道中,注意不可自容器底部引出,而應裝在容器底部稍上位置。
6、蒸汽用電磁閥入口側應裝有疏水閥,該處接管應傾斜。
7、高壓電磁閥一般是定向的,不可裝反,通常在閥體上用“→”指出介質流動方向,安裝時要依照“→”指示的方向安裝。
8、接管時注意,密封材料不可使用過量。如螺紋連接時,接管螺紋應保持在有效長度內,并在端部半螺距處用銼刀倒棱,自端部起2牙處開始纏繞密封帶,不然過量的密封帶或粘結劑將進入電磁閥的內腔,而發生妨礙正常動作的事故。
耐高溫高壓法蘭電磁閥
9、高壓電磁閥安裝姿勢:電磁閥的電磁線圈部件應豎直向上,豎直安裝在水平于地面的管道,如果受空間限制或工況要求必須按側立如樓房下水道似的管路或倒立安裝的,請在選型訂貨時提出,有些產品有特別規定,請按說明書安裝。
10、如果介質會起水錘現象,那么應該選用具防水錘功能的電磁閥或采取相應的防范措施。

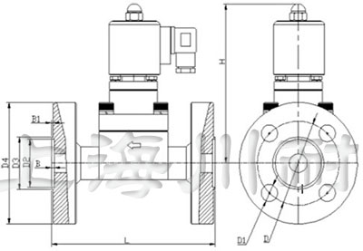
高壓法蘭電磁閥尺寸標準:
|
公稱通徑
DN |
外形尺寸
|
內螺紋
|
外形尺寸
|
法蘭連接
|
|||||||
|
H
|
L
|
G
|
H
|
L
|
D
|
D1
|
D2
|
b
|
f
|
N-d
|
|
|
15
|
148
|
92
|
1/2
|
176
|
130
|
95
|
65
|
46
|
14
|
2
|
4-Φ14
|
|
20
|
148
|
92
|
3/4
|
181
|
150
|
105
|
75
|
56
|
16
|
2
|
4-Φ14
|
|
25
|
148
|
110
|
1
|
210
|
160
|
115
|
85
|
65
|
16
|
3
|
4-Φ14
|
|
32
|
182
|
120
|
11/4
|
221
|
180
|
140
|
100
|
76
|
18
|
3
|
4-Φ18
|
|
40
|
182
|
140
|
11/2
|
230
|
200
|
150
|
110
|
84
|
18
|
3
|
4-Φ18
|
|
50
|
192
|
162
|
2
|
252
|
230
|
165
|
125
|
99
|
20
|
3
|
4-Φ18
|
|
65
|
|
|
|
265
|
290
|
185
|
145
|
118
|
20
|
3
|
4-Φ18
|
|
80
|
|
|
|
276
|
310
|
200
|
160
|
132
|
20
|
3
|
8-Φ18
|
|
100
|
|
|
|
373
|
350
|
220
|
180
|
156
|
22
|
3
|
8-Φ18
|
法蘭連接高壓電磁閥結構圖:

上一篇:高壓外螺紋電磁閥
下一篇:高壓焊接電磁閥 卡套 對焊

